プレスブレーキ用安全装置 DSP-AP
DSP-APシリーズの特長
高い生産性を実現
従来の安全装置では低速範囲がプレスブレーキの慣性値+5mmと大きく、作業効率低下の傾向がみられました。新しい安全装置DSP-APでは材料板上2mmの位置まで高速下降が可能になり、高い生産性を実現しました。
安全性の向上
材料板上2mmの位置まで高速下降が可能になったため、高速監視範囲が広がり、従来より高い安全となりました。またハードウェアもセーフティPLCで設計され安全水準の高いシステムで制御しております。
箱曲げ等の様々なワークに対応!! 3モードを使い分けられます。
モード1:全ゾーン有効
モード2:中央ゾーン有効モード(箱曲げ時に使用)
モード3:前面・中央ゾーン有効モード通常モードでは前面の光軸を遮光してしまうような箱曲げワークでも、箱曲げモードでは センター光軸のみの有効となるため、加工が可能です。また遮光により停止した場合でも、運転フートを踏み直すことで、光軸を無効にして加工を継続することができます。(踏み直し加工)
光軸調整、金型交換時の移動も簡単です。
面状でレーザーを投光しているため付属しているテストヒースで目視しながら光軸を調整することができるため非常にスピーディーで簡単です。金型交換の際も本体を上にスライドさせるだけで金型を避ける位置に固定でき、ストッパー機能で同じ位置に戻すことができます。また、センサーで板厚測定、自動で急停止距離を測定します。
特殊状レーザーで防振に強い!!
9つの受光ポイントで、より強固な安全性を確立。DSP-J型でも好評を得ていた広い面状の特殊形状レーザーを採用しています。9点の受光ポイントをしっかり捉え、防振性、検知性に優れたレーザー形状です。
板厚自動検知機能でスムーズに作業可能!!
従来の安全装置では材料のゆがみや形状凹凸で、上型が停止してしまうこともありましたが、DSPーAPの材料検出機能により、ロール機より排出された材料が反っている場合や歪などがある場合でも、適正な加圧ポイントにて曲げを行うことが可能です。
DSP-APの概要
■9つの受光ポイント、防護ゾーン、オートミューティング機能で、最上級の安全をお届けします。
DSP-APプレスブレーキ用レーザー式安全装置は、システムの操作や監視を行うMCSコントロールユニット、「レーザー光の束」を照射するTX投光器、9つの受光ポイントを持つRX受光器により構成されます。
受光器の受光ポイントに照射された可視レーザー光を遮光するとプレスブレーキが停止します。三つの運転モードで、箱曲げ、平曲げなどの作業をスムーズに行えます。
DSP-APの検出領域は、縦軸と横軸の光軸により構成されます。
高速閉じ動作の間では、いずれの運転モードでも光軸は有効状態になります。高速閉じ動作時、遮光されると金型先端は遮光物の5mm以上手前で停止します。遮光されない場合、材料上部2mmまで高速下降します。横軸検出ラインのA・B・Cゾーンは段階的にミューティングし、作業能率を損なうことなく生産することを可能にします。また、Aゾーンはワーク上面を検出する「板厚検出判定」に使用されます。
■箱曲げ等の様々なワークに対応!! 3モードを使い分けられます
■オートミューティングで生産性を下げることなく平曲げ・箱曲げが作業できます。
高速下降中に防護領域で光軸が遮光されるとプレスブレーキは急停止しますが、遮光物体がない場合、高速下降を続け、ゾーンA・B・C の光軸は段階的にミューティングするため(オートミューティング)、生産性を下げることなく、作業が行えます。
*ミューティング位置設定は,板厚検出テスト後にMCSで自動計算されますが、材料のひずみなどを考慮し許容値 (パラメータA4設定1~4mm)を設定することができます。
金型交換も簡単!
投光器から照射されるレーザー光は線ではなく太い面上の光のため、光軸合わせも簡単に行えます
受光器を下げながら受光部にレーザー光を合わせるだけです。
防護 領域(Aゾーンから上型先端まで)はプレスブレーキの急停止性能により3段階の設定(19mm、23mm、29mm)が可能です。また急停止距離 が6mm未満の場合は、Aゾーンは自動的にブランキングされ、防護領域は11mmとなります。
*注意事項
周囲環境により、レーザー光の輪郭が歪み、遮光を誤検出する場合があります。この現象が発生する場合は、レーザー光と上型先端間の距離を推奨値より離して運用する必要があります。
仕 様
■電源仕様
電源:DC24V 消費電力:10W
■レーザー仕様(センサー部)
光源:650nm クラス:1M
推奨動作距離:0.5~8m 遅動時間: 5ms
■一般
動作温度:0~50℃
応答時間:MCS 2.5ms
DSP LASER AP 5ms
■外寸仕様(センサー部)
筐体: 投光器TX,受光器RX : IP65
MCS:IP20
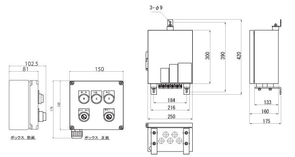
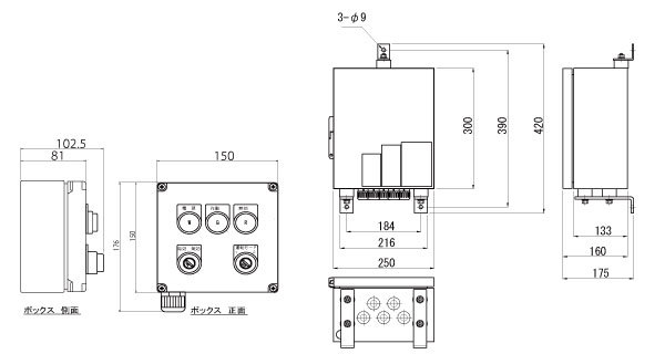
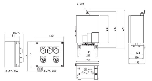
寸法/重量
投光器TX:192×81×128mm/1300g
受光器RX:192×81×128mm/1600g
MCS:284mm×203mm×84mm/2000g
取付実績
| DSP安全装置 取付機種 実績 | 機種名 | |||
| アマダ | CB |
EG | ES | |
| FBD Ⅰ | FBD Ⅱ○ | FBD Ⅲ | ||
| F-BEST | FMB | FMB Ⅱ | ||
| HD | HDS | HFB | ||
| HG | RG | RGM Ⅱ | ||
| SPH | ||||
| コマツ | PAS |
PBZ | KP | |
| PHS | PVS | |||
| 相澤鐵工所 |
AP | APL | APM○ | |
| APB | HAP | |||
| 東洋工機 | HPB | HYB | HPM | |
| APB | ||||
| トルンプ | Vシリーズ | 5000シリーズ | 7000シリーズ | |
| 丸機械 | 3P | MH | ||
| ムラテック | BB | BH | ||
| 日清紡 | RP | MSB | ||
| 松田製作所 | C1 | |||
| 大阪ジャッキ | HPB |
|||
| 晶和機械工業 | SHD | |||
| 盛光 | MGB | |||
| 入野製作所 | SP | |||
表内機種以外でも多数実績あり。ご相談ください。
























