スクラップシューター SM Series

SMシリーズの特長

でも使用可能
2.取付簡単、搬送スピードも調整可能、細かい部品の搬送、搬出も可能。
3.シューターを工夫することで搬送、振り分けなどを同時に行えます。
4.SM12、24、48、100までの4タイプ。各タイプとも数値が最大搬送重量です。
5.弊社でオーバーホール可能。長期にわたる使用を実現します。
6. プレスのスクラップシューターとしての取付・搬送事例

7. 微細部品搬送事例

8. ポテトチップ搬送事例

SMシリーズの概要
SMシリーズは、独特のメカニズムと空気圧力を利用して、リズミカルな動きで製品やスクラップなどを搬送します。
限られたスペースに自由に設計されたシュートを本体に固定するだけで、ゆっくりとした前進と 急速な後退運動により、製品は搬送されます。
エアーとシュータ-での搬送の為、電力費削減やスペースの有効活用ができ、 ベルト駆動部にはさまれることや感電災害を引き起こすこともありません。
騒音もエアーの排出音だけですので許容範囲です。シュートの形状を工夫したり ローラーを活用することで 、金型の下や、ベルトコンベアーが入らないような場所に設置できます。
また、同時に2つ以上の複数のシューターを動かすことも可能です。
限られたスペースに自由に設計されたシュートを本体に固定するだけで、ゆっくりとした前進と 急速な後退運動により、製品は搬送されます。
エアーとシュータ-での搬送の為、電力費削減やスペースの有効活用ができ、 ベルト駆動部にはさまれることや感電災害を引き起こすこともありません。
騒音もエアーの排出音だけですので許容範囲です。シュートの形状を工夫したり ローラーを活用することで 、金型の下や、ベルトコンベアーが入らないような場所に設置できます。
また、同時に2つ以上の複数のシューターを動かすことも可能です。


設置例
取付事例1
SM12に取付けられた上下2つシューターのうち、上のシューターはスクラップを搬送、 下のシューターは製品を排出しています。1台のエアコンベアーで2個のシュートを利用する例です。
取付事例2
加工機の外側側面に取付けられたSM12はスクラップや製品などを搬送します。 シューターを差込める空間さへあれば、製品やスクラップなどを搬出できます。
取付事例3
SM100の場合、搬送重量内であれば、ブラケットの付け方次第で複数のシューターを同時に動かすことも可能です。また、取付傾斜角度は8度までですのでシューターに専用シートを貼り付ければ、搬送物を上方向へ搬送することも可能です。
取付事例4
エアコンベアーは空圧だけで作動します。
振動とリズミカルな動きで製品やスクラップを移動させます。トレーの大きさや形状を自由に設計することで、 ベルトコンベアーが入らないような場所でもトレーさへ入れば搬送・搬出が可能となります。
取付事例5
トレーの形状を工夫することで、様々な応用が可能です。例えば搬送重量100kgのSM100であれば、4本のトレーを同時に動かすことも可能です。(ブラケットでつなぎます。)また、コの字型のトレーを着ければ、高い場所からの搬送・搬出やコンベアー本体を隠れさせることも可能です。
取付事例6
トレーに穴をあけるだけで、製品とスクラップなどを選別して搬送・搬出が可能となります。トレーの長さを長くしたい場合は、ローラーなどを途中につけることで、トレーのすべりを良くします。
取付事例7
トレーが長くなる場合、途中にローラーやローラースライドをつけると、滑りがよくなります。

SM12に取付けられた上下2つシューターのうち、上のシューターはスクラップを搬送、 下のシューターは製品を排出しています。1台のエアコンベアーで2個のシュートを利用する例です。
取付事例2

加工機の外側側面に取付けられたSM12はスクラップや製品などを搬送します。 シューターを差込める空間さへあれば、製品やスクラップなどを搬出できます。
取付事例3

SM100の場合、搬送重量内であれば、ブラケットの付け方次第で複数のシューターを同時に動かすことも可能です。また、取付傾斜角度は8度までですのでシューターに専用シートを貼り付ければ、搬送物を上方向へ搬送することも可能です。
取付事例4

エアコンベアーは空圧だけで作動します。
振動とリズミカルな動きで製品やスクラップを移動させます。トレーの大きさや形状を自由に設計することで、 ベルトコンベアーが入らないような場所でもトレーさへ入れば搬送・搬出が可能となります。
取付事例5

トレーの形状を工夫することで、様々な応用が可能です。例えば搬送重量100kgのSM100であれば、4本のトレーを同時に動かすことも可能です。(ブラケットでつなぎます。)また、コの字型のトレーを着ければ、高い場所からの搬送・搬出やコンベアー本体を隠れさせることも可能です。
取付事例6

トレーに穴をあけるだけで、製品とスクラップなどを選別して搬送・搬出が可能となります。トレーの長さを長くしたい場合は、ローラーなどを途中につけることで、トレーのすべりを良くします。
取付事例7

トレーが長くなる場合、途中にローラーやローラースライドをつけると、滑りがよくなります。
仕 様
SM12 | SM24 | SM48 | SM100 | ||
搬送重量 Load Capacity | kg | 12 | 24 | 48 | 100 |
エアー消費 Air Consumption | L/min | 12 | 32 | 46 | 130 |
音量 Sound Level | db-A | 68 | 68 | 68 | 69 |
ストローク長さ Stroke Length | mm | 24 | 25 | 26 | 27 |
最大シュート重量Max. Tray Weight | kg | 2.9 | 4.2 | 5.8 | 20 |
本体重量 Weight | kg | 2.5 | 4 | 6.5 | 18.2 |
推奨スピード Recommended Speed | spm | 120 | 110 | 80 | 80 |
送り量 Feed Rate | m/min | 8-10 | 8-10 | 8-10 | 8-10 |
空気圧 Air Pressure Range | kg | 4.5 | 4-5 | 4-5 | 4-5 |
エアホース取付用ニップル径 | inh | 1/4 | 1/4 | 3/8 | 3/8 |
本体取付ボルト | mm | M8 | M8 | M10 | M10 |
シュート取付ボルト | mm | M6 | M8 | M8 | M8 |
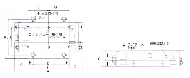
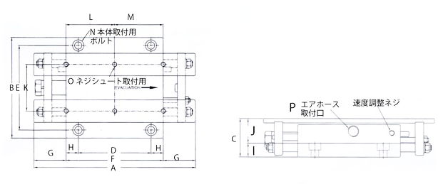
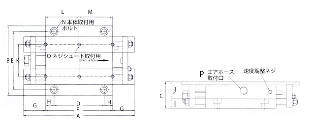
寸法
モデル | A | B | C | D | E | F | G | H | I | J | K | N | O | P |
SM12 | 200 | 125 | 46 | 90 | 105 | 120 | 40 | 15 | 16 | 30 | 58 | M8 | M6 | 1/4 |
SM24 | 215 | 140 | 65 | 100 | 120 | 130 | 42.5 | 15 | 20 | 45 | 70 | M8 | M8 | 1/4 |
SM48 | 240 | 170 | 79 | 100 | 145 | 140 | 50 | 20 | 26 | 52 | 85 | M10 | M8 | 3/8 |
SM100 | 290 | 300 | 102 | 140 | 270 | 180 | 55 | 20 | 35 | 67 | 200 | M10 | M8 | 3/8 |




