-
プレス機械用両手起動式安全装置 ウルトラスイッチ

ウルトラスイッチの特長
プレス機械の両手押しボタンを1回押すのに必要な力は約4kgの力が必要とされます。
この重さが作業者に与える負担はかなり大きく、1日、ボタンを押し続けていると疲労が蓄積、作業能率が著しく落ちてしまいます。
また、過労、腱鞘炎、腰痛などの原因となり、その疲労が注意力を低下させ、うっかりミスによる重大な事故を起こしかねません。
また、過労、腱鞘炎、腰痛などの原因となり、その疲労が注意力を低下させ、うっかりミスによる重大な事故を起こしかねません。


人間工学に基づき自然体で使用できるように設計されたウルトラスイッチは、
プレス機械や切断加工機などの危険作業を伴う装置の作動スイッチとして使用し、安全な作業環境を構築するために最適です。
動力プレスはもとより、パンチ、チューブベンダー、リベッター、成型機や各種組立装置の安全な起動ボタンとして幅広く使用することが可能です。
ウルトラスイッチの概要
ウルトラスイッチを作動させる際に、手首を回転させたり指を折り曲げたりする必要はありません。そのため従来からの押しボタンスイッチに比べ作業者の負荷を大幅に軽減します。
■監視回路と分離回路で、不注意による作動や起動や誤作動を防ぎ、袖、ぼろきれ、ミスト、水滴、虫などの異物により作動することがありません。
■独自なU字型位置センサーと赤外線ビームで作業者の手を感知し、手を挿入すると、電気(機械)式リレーに通電し、機械への開始信号を送信します。
■赤外線センサーと位置センサーの両方が満たされていないと信号が送信されないため両手操作デバイスとして使用することがません。
■本体は高い衝撃と振動に対して設計・成形された高強度のNEMA4ポリカーボネートモジュールを採用。
■組み込まれた2個のLEDインジケーターで作業者は作動状況を把握できます。
緑色のLEDは、両方のセンサーがアクティブで、障害が検出されておらずリレー接点が閉じていることを示します。
赤いLEDは両方のセンサーで満足のいく状態が検出されなかったことを示し、無操作またはリレー接点が開いていることを示します。
仕 様
検定番号 第 TA678号
ウルトラスイッチ仕様 | ||
品名 | UTS101A | UTS101D |
入力定格電圧 | AC100V ± 10%(UTS) | DC24V ± 10% |
定格消費電流 | 60mA | 250mA |
接点定格 | AC250V 1A/DC90V 1A(抵抗負荷) | |
遅動時間 | 25ms 以下( UTS101A/UTS101D) 50ms(0.5秒以内両手同時操作用安全ユニット使用時) |
|
リレー接点出力 | 2A,2B | |
接点定格通電電流 | ACV250V 6A | |
許容温度範囲 | 0 ~ +50℃ | |
表示LED | 赤;サイクル準備 緑:サイクル開始 | |
機械的寿命 | 5000万回以上 | |
電気的寿命 | 10万回以上(220VA負荷時) | |
許容相対湿度範囲 | 0~+55℃ | |
保護構造 | IP40(ガスケット取付時) | |
本体 | NEMA4 ポリカーボネートモジュール | |
重量 | 約450g | 約280g |
※標準価格・外観・仕様等は製品改良のため予告なく変更することがありますので、予めご了承ください
型式
プレス操作 | 安全ユニット | ボタン用別箱 | 電源電圧 | 遅動時間 | 注文型式名称 |
両手同時操作方式(0.5秒以内)の プレス機械 |
不要 | 基本仕様 (左右分離型) |
AC100V | 20ms |
UTS-AP |
DC24V | UTS-DP | ||||
オプション (両手一体型 スタンド付) |
AC100V | UTS-AS | |||
DC24V | UTS-DS | ||||
両手同時操作方式(0.5秒以内) ではないプレス機械 |
必要 (安全のため 両手同時操作方式 とするため) |
基本仕様 (左右分離型) |
AC100V | 50ms | UTS-ASG |
DC24V | UTS-DSG | ||||
オプション (両手一体型 スタンド付) |
AC100V | UTS-APG | |||
DC24V | UTS-DPG |
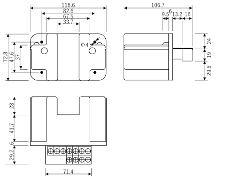
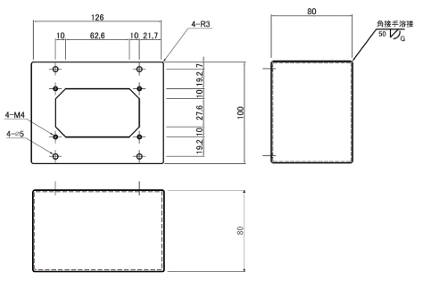
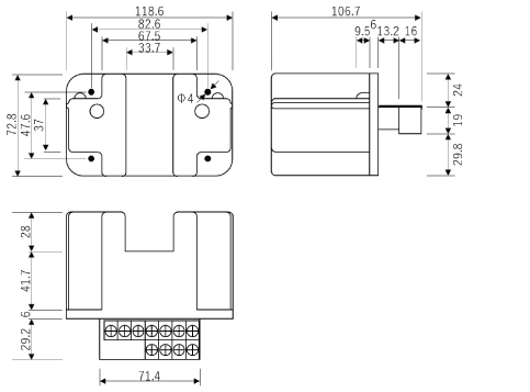
寸法


セット内容
設置事例
動作事例 動画
オプション